2026/02/08(日)サイラトロン2D21の基本動作を知ろう
YouTubeで見つけた*1 2D21を使った実験動画を見て(日本語字幕ONで)自分も手元で再現実験したくなったのが事の始まり。この動画は6.3V/0.15Aの豆ランプ(動画内ではハロゲンランプ)を真空管で駆動する方法として2D21を使っている。
手元にあったサイラトロン2D21の写真

写真上側:NECの2D21 下側:TENの2D21(1958年12月製)
左側に写っているのは実験時に負荷として使用した豆ランプ。6.3V/12V/100V用。

内部構造について記載されている日立の資料によると四極管構造で外周に見える金属板はプレート電極ではなく遮蔽グリッド(第二グリッド)である。プレートはカソードを囲んでおらず一般的な増幅管とは違った構造である。
2D21についてネットで見つかった情報
- https://tubedata.jp/sheets/137/2/2D21.pdf SYLVANIAのデータシート ヒータ電力(6.3V 0.6A) 許容ピーク電流(0.5A) ドロップ電圧(8V)となっている
- https://www.hitachihyoron.com/jp/pdf/1959/02/1959_02_11.pdf 日立評論クセノン入り熱陰極グリッド制御放電管(1959/2 小島秀雄) 2D21の内部構造まで説明されている。
- https://www.nicovideo.jp/watch/sm17471519 真空管を動かしてみる(2D21 サイラトロン) ニコニコ動画 こちらの動画が一番判り易い

上の図はデータシートから一部を拡大した物。多分(俗にいう)ブレークダウン電圧を示していると思われる。グラフからプレート電圧が40V程度であればゼロバイアス制御が可能で、それ以上ではマイナスのバイアス電圧が必要と読み取れる。
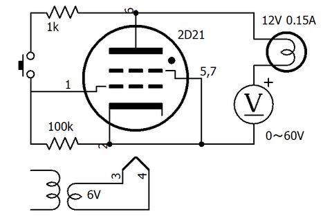
実験に使った回路図

まずヒータを灯す必要がある。これには前回入手したNational ベルトランス/チャイムトランス の想い出の6V端子を使った。7ピンのMT管としては昔のトランスレスラジオで良く使われていた30A5(4.5W) 35W4(5.3W)には及ばないが、ヒータ電力が3.6Wと割と大きいため非常に高温になる。
この状態で一旦12Vを与えてSWを押すと豆ランプが点灯し、SWを離しても豆ランプは点灯し続けているので基本動作はOKの様だ。
測定結果
| 豆ランプの端子電圧 | ||
| 測定電圧 | 2D21(NEC) | 2D21(TEN) |
|---|---|---|
| 12v | 3 | 0 |
| 15v | 6.3 | 5 |
| 20v | 11 | |
| 25v | 11 | 16 |
| 30v | 20 | × |
| 35v | × | × |
まとめ
2つのNECとTENの2D21でテストをしたがバラつきが大きい結果となった。しかし想定している動作は確認出来た。本来であれば100V以上のプレート電圧としグリッドにマイナスのバイアスを与えての使用が本来の使い方と思われるが、今回はそこまで大掛かりなテストは出来なかった。しかしガス入りとはいえ20V程度の電圧が距離を置いたカソードとプレート間に150mAの電流が流れるというのは凄い事だと思う。また、サイラトロンは磁石に近づけて使用する事でシンセサイザーのノイズ源*2として使用したり、同様のサイラトロン6D4でRF Noise Generatorとしての使用例*3が見つかる。