2023/06/27(火)8CHソースドライバ 62783 TD62783 vs HT62783

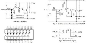
左側がTOSHIBAのTD62783で右側がHT62783のデータシートですがHT62783の内部回路を見ると2段目のトランジスタがNPNとなっているので全体としてインバータ回路になっています。論理値がTOSHIBAの物と異なる事になります。誤記だとは思いますが怪しすぎます。一体何を信じれば良いか判らなくなります。TOSHIBA製の後続品であるDMOS版のTBD62783が現在秋月電子さんにて入手可能ですので、今後は素直にTBD62783を使う事にしましょう。